Câu 1 trang 30 VBT Công nghệ 9
Quan sát sơ đồ nguyên lí mạch điện. Hãy đánh dấu (v) vào cột Đ những câu em cho là đúng hoặc vào cột S những câu em cho là sai. Gạch chân từ hoặc cụm từ sai và sửa lại thành đúng
Lời giải
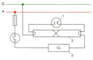
a) Tìm hiểu sơ đồ nguyên lí mạch điện đèn ống huỳnh quang.
|
Nội dung |
Đ |
S |
Sửa thành đúng |
|
1. Tắc le được nối song song với hai điện cực của đèn ống huỳnh quang |
v |
|
|
|
2. Cầu chì và công tắc được nối vào dây trung tính |
|
v |
Dây pha |
|
3. Chấn lưu nối nối tiếp với mạch điện đèn ống huỳnh quang |
|
v |
Song song |
|
4. Cầu chì và công tắc được nối vào dây pha |
v |
|
|
b) Vẽ sơ đồ lắp đặt mạch điện

Câu 2 trang 31 VBT Công nghệ 9
Hãy hoàn thiện sơ đồ lắp đặt mạch điện đèn ống huỳnh quang sau:
Lời giải

Câu 3 trang 31 VBT Công nghệ 9
Dự trù vật liệu, thiết bị và lựa chọn dụng cụ vào bảng sau.
Lời giải
|
TT |
Tên vật liệu, thiết bị, dụng cụ |
Số lượng |
Yêu cầu kĩ thuật |
|
1 |
Cầu chì |
1 |
Mở thì dòng điện được chạy, đóng thì dòng điện không qua. |
|
2 |
Công tắc |
1 |
Đóng ngắt được dòng điện. |
|
3 |
Chấn lưu |
1 |
Đồ mới. |
|
4 |
Bóng đèn |
1 |
Bóng mới, khi mua phải thử bóng, phát ra ánh sáng là bóng còn sử dụng được. |
|
5 |
Tắc te |
1 |
Đồ mới. |
Câu 4 trang 32 VBT Công nghệ 9
Hãy khoanh vào chữ cái đứng trước câu trả lời mà em cho là đúng về cách kiểm tra đơn giản các phần tử của bộ đèn ông huỳnh quang.
Lời giải
a) Kiểm tra bóng đèn huỳnh quang:
A. Hai đầu bóng đèn không bị vệt đen.
B. Hai đuôi đèn không bị lỏng lẻo, rỉ
C. Hai điện cực đèn không bị đứt
D. Cả ba chỉ tiêu trên (D)
b) Kiểm tra chấn lưu
A. Chấn lưu không bị rò điện ra vỏ
B. Số đầu dây ra của chấn lưu
C. Tìm hiểu sơ đồ nối dây
D. Cả ba yếu tố trên (D)
c) Thay tắc te vào một bộ đèn huỳnh quang đang làm việc tốt, biểu hiện nào sau đây thể hiện tắc te được kiểm tra có chất lượng tốt?
A. Đèn không sáng
B. Hai điện cực đèn sáng đỏ, đèn không phát sáng.(B)
C. Đèn nhấp nháy lâu mới sáng
D. Đèn nhấp nháy vài lần rồi sáng ngay.
Câu 5 trang 32 VBT Công nghệ 9
Hình vẽ sau đây thể hiện công đoạn nối dây trong máng đèn đã hoàn thành. Em hãy thực hiện công đoạn tiếp theo bằng cách nối mỗi cụm từ ở cột A với mỗi cụm từ ở cột B sao cho đúng.
Lời giải
